Наталья, Копал в сентябре.
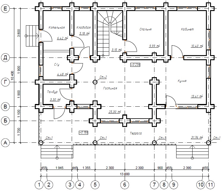
Добавлено спустя 4 часа 7 минут:Добрый день уважаемые форумчане. Как и обещал выкладываю на форум проект своего дома.
Добавлено спустя 1 минуту 52 секунды:mak41, Честно говоря я не знаю как они будут везти. Они сказали что повезут автотранспортом. А кем и как я не вдавался в подробности
Добавлено спустя 40 минут 2 секунды:Итак третья часть моего рассказа. Это фундамент. после согласования проекта дома получил план фундамента. Обсудив предварительную стоимость работ( важно. Бригада приезжает из Омска. Стоимость обсуждалась по телефону и по фото участка) стал ждать приезда рабочих. Но как говорится на бумаге стоимость одна а в реале из за разных причин она обычно возрастает. Первая причина это наклон участка. Для начала пришлось заказывать планировщик и чуть чуть подравнять участок под фундамент
Вот на такую глубину пришлось снимать грунт для получения ровной площадки
Добавлено спустя 14 минут 36 секунд:Из за этого изменилась высота самой ленты. Планировали сначала 40 см. а в итоге залили 90!!!!. опять пришлось добавить к смете
Ну а потом мне захотелось иметь под домом еще и подвальчик небольшой. Так для хранения солений-варений и для удобства заведения коммуникаций. Ноу проблем сказал подрядчик и цена опять возрастала...

. Да и еще раз спасибо нашим застройщикам. Так как света нема то появилась еще статейка на топливо для генератора

.
ребята приступили к земляным работам. Вызвали геодеза ,поставили точки и вперед
как я уже писал колодец мне выкопали за 8 дней, ребята эту "маленькую ямку" сделали за два дня.
Потом пробурили дырки под сваи, завязали арматуру и стали заливать. залили плиту на пол подвала.
Добавлено спустя 12 минут 34 секунды:Ну и поэтапно. завязали лентой залитые сваи оставив опуски для росверка
и выложили стены будущего подвала
в расстоянии между стеной и грунтом была сделана гидроизоляция и дополнительное бетонирование по всей высоте.
поставили опалубку и залили на всю высоту фундамента.
Сейчас опалубку уже сняли наполовину присыпали обратно грунт и доливают столбы под террасу.
Вот эпопея с фундаментом под дом вроде подошла к концу. на этой неделе поеду на участок должны были начать делать фундамент под баню.
Продолжение следует....